1:鋼結構噴涂廢氣特點:
鋼結構要獲得好的保護、首先需要做到的是表面處理的程度,其次噴涂技術也可使得鋼結構體受到保護免受侵蝕并且可以延長使用時間。鋼結構噴涂車間空間一般比較大,而且對于主梁和立柱的噴涂需要橫跨距離,一般的企業都采用手工噴涂,也就是把鋼結構用行業吊到指定區域,然后以此排列好,然后人工用噴槍開始進行噴涂工作,由于車間體積較大,操作人員也配置噴漆專用的口罩,大的油漆粉塵顆粒可以過渡一下,但是小的還是沒法過濾,介于油漆和漆料的成分,笨類物,多少對操作人員的身體有些傷害。
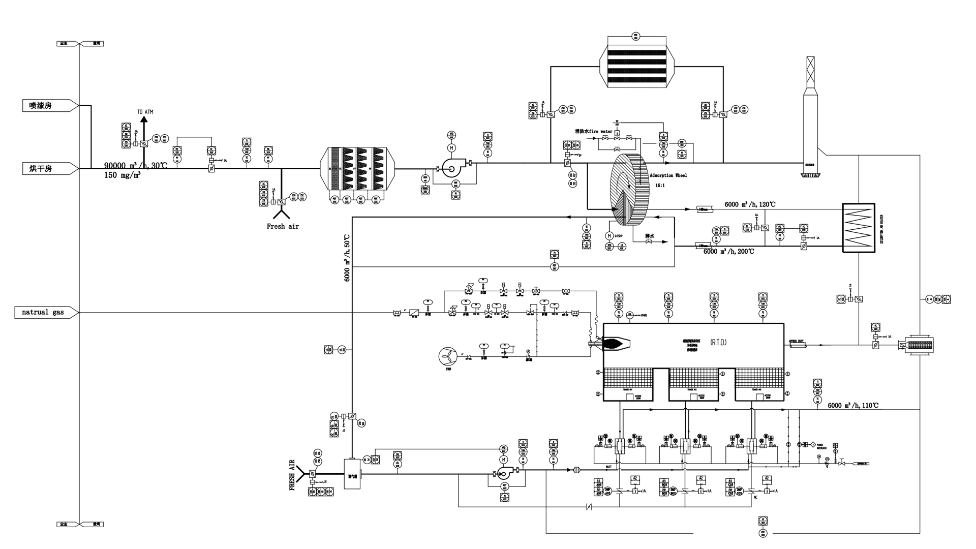
涂裝系統主要用于鋼結構件的油漆噴涂、油漆風干及油漆烘干固化等工作;地面輸送系統用于物料的輸送與流轉,提高生產效率;廢氣處理系統用于鋼結構噴涂廢氣處理,使廢氣排放達標。
廢氣來源:鋼結構噴涂廢氣
廢氣成分:苯、甲苯、二甲苯、非甲烷總烴等
廢氣處理工藝:預處理+沸石轉輪+RTO蓄熱焚燒
系統風量:1800000m3/h
處理效率:≥98%
2:鋼結構噴漆廢氣設計要求
排放濃度低于江蘇省《表面涂裝(工程機械和鋼結構行業)大氣污染物排放標準》DB32/4147—2021,即50mg/m3。
《表面涂裝(工程機械和鋼結構行業)大氣污染物排放標準》DB32/4147—2021
3:鑫藍環保鋼結構噴涂廢氣處理工藝
根據業主提供資料,本項目主要是噴漆房產生的廢氣,風量為180000m3/h,結合噴涂行業特性,本項目屬于大風量低濃度,適合運用預處理+沸石轉輪+RTO蓄熱焚燒的組合工藝,我司采用18000m3/h沸石轉輪濃縮,濃縮倍數控制在18倍,配套RTO采用10000m3/h的設計.
鋼結構噴涂廢氣處理系統工藝流程簡介:
前段收集的有機廢氣(30℃以內)經過濾器去除漆霧、塵雜后,進入沸石轉輪濃縮單元。低溫條件下,大風量的有機廢氣通過沸石分子篩轉輪,VOCs 分子吸附在轉輪表面,經過沸石轉輪吸附的廢氣可直接排放。吸附有大量VOCs的沸石轉輪部分進入高溫脫附區,利用小風量的高溫廢氣將沸石轉輪上的VOCs分子脫附出來,形成高濃度廢氣,送入后端的催化氧化系統進行高溫氧化處理,凈化后的廢氣可達標直接排放。具體包括以下結構單元:
四級顆粒過濾系統(過濾器):由于廢氣中含有固體顆粒物,而沸石分子篩對廢氣的顆粒物的含量及粒徑有嚴格的要求,因此沸石轉輪之前設置過濾器:粗效過濾器+中高效過濾器。過濾材料采用四級中高效過濾器組成,將氣體中0.5um以上的塵凈化率≥99%。我司設計生產的過濾器屬于模塊化設計方便組合、安裝拆卸,使設備具備良好的實施性。
沸石轉輪濃縮單元:廢氣經過濾后,進入到沸石轉輪吸附。沸石轉輪分成三個區域:一個吸附區域,占整個面積的5/6,有機氣體被吸附在蜂窩沸石中,潔凈氣體排出。占轉輪1/12的區域為脫附區域,使用高溫加熱,將氣體中的VOC在高溫下脫附出來;另占轉輪1/12的區域為冷卻區域,將高溫脫附區域進行吹掃冷卻,吹掃冷卻的氣體與高溫煙氣混合,控制溫度在200℃進入脫附區域,將吸附在轉輪上的VOC脫附下來,形成脫附氣體,經RTO風機,進入RTO系統蓄熱氧化處理。
蓄熱氧化爐單元(RTO):經脫附的氣體已形成較高濃度的有機氣體,通過高溫氧化分解后形成二氧化碳和水,達標排放。同時氧化產生的熱量可降低系統輔助燃料消耗量,當到達一定的濃度時,氧化釋放的熱量不僅能滿足RTO自身運行需求,同時可為脫附風提供熱量。
鑫藍環保科技(昆山)有限公司,專注于大型工廠廢氣處理、粉塵處理,是一家集廢氣粉塵處理系統設計、制造與銷售為一體的生產廠家。主營產品有RTO蓄熱焚燒、RCO催化燃燒、有機廢氣處理設備、防爆除塵器、酸堿廢氣處理設備、脈沖濾筒除塵器、脈沖布袋除塵器、單機除塵器、倉頂除塵器、旋風除塵器、噴淋塔、活性炭吸附箱、靜電除油設備等等。
鑫藍環保擁有一批經驗豐富的研發、設計、制造及安裝售后人員,從現場勘察、方案設計、產品制造、設備安裝及售后服務,建立了一套完善的制度。產品廣泛運用于電子、機械、制藥、食品、塑料、汽車制造、機加工、木業、水泥、鋼鐵、造船等多種行業。工程業績已遍布上海、江蘇、浙江、安徽、山東、河南和江西等省份。
如有鋼結構噴涂廢氣處理方面的問題需要解決,歡迎與我們公司取得聯系。解決1500+企業粉塵問題,一廠一方案過環評!
詳情請撥打24小時技術服務熱線:180-6841-2162
或訪問鑫藍環保官網:www.eh85.cn
鑫藍環保微信公眾號:ksxinlan
Email:ycw26688@126.com
![]()

鑫藍環保科技(昆山)有限公司
服務熱線:4008-616-212
電話:0512-55186759
E-mail:ycw26688@126.com
地址:昆山市千燈鎮紅星路20號
