一、瀝青廢氣來源:
瀝青煙氣排放源很廣,產生來源如下:
1、煉焦、煉油等產生瀝青的工業熱加工過程;
2、加熱瀝青以制取瀝青產品的過程;
3、加熱瀝青用以鋪設道路、修補房屋或作防腐涂料的過程;
4、加熱或燃燒含有瀝青的瀝青制品、石油、煙煤、木材、油頁巖的過程。
瀝青在生產和制作的時候,加熱產生大量包含細微焦油顆粒的瀝青煙氣。這種煙氣中含有碳環烴、環烴衍生物及其他多種化合物的有機廢氣,不僅污染大氣環境,而且危害人的身體健康。所以,瀝青生產企業必須對瀝青煙氣進行處理,使之達到廢氣排放標準。那么瀝青煙氣廢氣處理用什么工藝呢?下面鑫藍環保小編為您介紹幾種瀝青煙氣廢氣處理設備。

二、瀝青煙氣廢氣處理工藝:
瀝青煙氣主要成分為顆粒物、焦油煙氣、碳環烴、環烴衍類有機廢氣。對于瀝青廢氣處理設備,常見主要工藝有:
一、燃燒法:燃燒法的影響因素主要有兩點,瀝青煙濃度越高越有利于焚燒的進行。二是燃燒的溫度和與時間控制。
二、電捕法:該法是基于靜電場的一些性質而進行的。優點是:回收瀝青呈焦油狀且溶于苯或環己烷,可返回生產系統或作燃料使用;系統阻力小,能耗低,運行成本低。
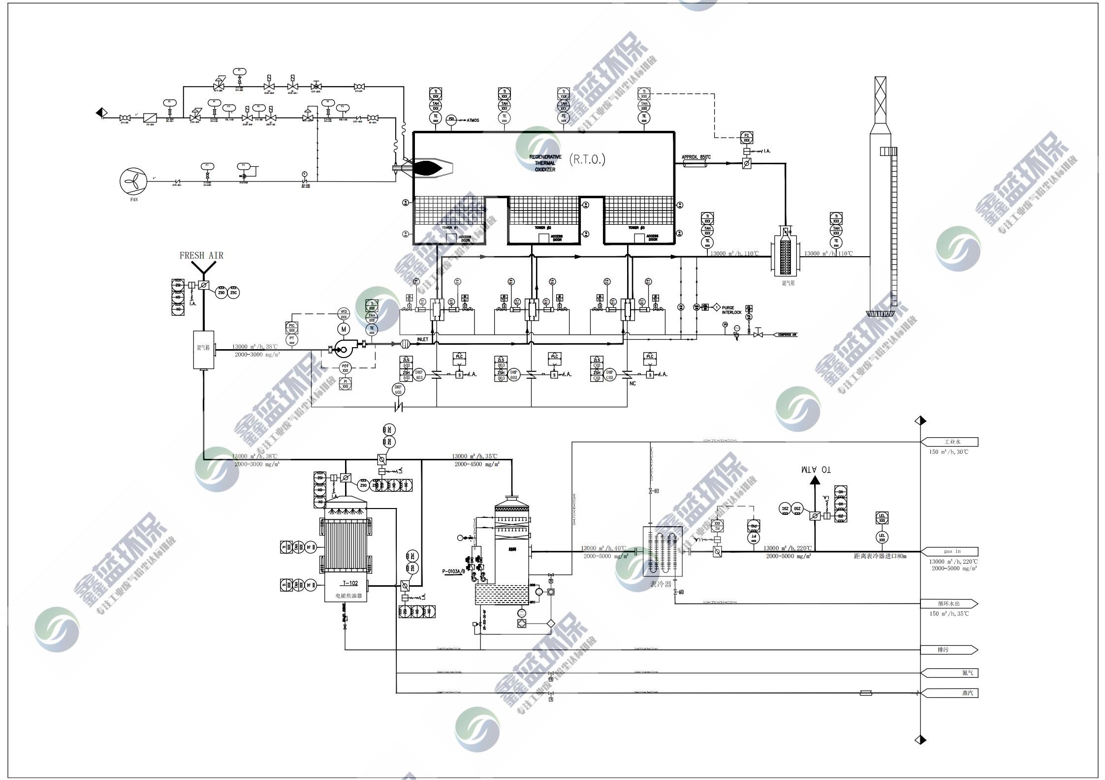
三、瀝青煙氣廢氣處理工藝我司采用設備的組合:旋流板塔+焦油捕捉器+RTO
瀝青煙氣經過表冷器降溫至40-50℃后,再經過旋流板塔洗滌掉廢氣中的顆粒物及瀝青煙氣,再進入焦油捕捉器進一步捕捉瀝青煙氣及部分焦油,最后氣態的VOCs進入RTO高溫燃燒,此時廢氣已經達標,然后經煙囪排入大氣。

鑫藍環保科技(昆山)有限公司,專注于大型工廠廢氣處理、粉塵處理,是一家集廢氣粉塵處理系統設計、制造與銷售為一體的生產廠家。主營產品有RTO蓄熱焚燒、RCO催化燃燒、有機廢氣處理設備、防爆除塵器、酸堿廢氣處理設備、脈沖濾筒除塵器、脈沖布袋除塵器、單機除塵器、倉頂除塵器、旋風除塵器、噴淋塔、活性炭吸附箱、靜電除油設備等。
鑫藍環保擁有一批經驗豐富的研發、設計、制造及安裝售后人員,從現場勘察、方案設計、產品制造、設備安裝及售后服務,建立了一套完善的制度。產品廣泛運用于電子、機械、制藥、食品、塑料、汽車制造、機加工、木業、水泥、鋼鐵、造船等多種行業。工程業績已遍布上海、江蘇、浙江、安徽、山東、河南和江西等省份。
如有瀝青煙氣廢氣處理方面的問題需要解決,歡迎與我們公司取得聯系。解決1500+企業粉塵問題,一廠一方案過環評!
詳情請撥打24小時技術服務熱線:4008-616-212
或訪問鑫藍環保官網:www.eh85.cn
鑫藍環保微信公眾號:ksxinlan
![]()

鑫藍環保科技(昆山)有限公司
服務熱線:4008-616-212
電話:0512-55186759
E-mail:ycw26688@126.com
地址:昆山市千燈鎮紅星路20號
